Распродажа!

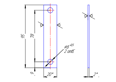
Поясок П1 ТП 04.00.201 Ст3 покрытие Ц24 методом ТДЦ

ООО «Техпрогресс»

Артикул: TP-BH-25-0Z-00292 Категория: Метка:

Описание

Дата продажи: 21.01.2025 11:00:00

Покупатель:ЭЧ-3 ОКТ

Номер заказа: ЭЧ-3-ТП-7771

Конечный заказчик: ЭЧ-3 ОКТ

Плановый объект монтажа: пер.Саблино – Тосно

Текущий владелец:ЭЧ-3 ОКТ

Фактический объект монтажа:пер.Саблино – Тосно

Проверил: ОТК №3 15.01.2025 10:40:00

Проверил:Склад №5 20.01.2025 14:00:00

Смонтировал:ЭЧК-3 электромонтёр №7(Иванов)